陶瓷密封系列高壓直流接觸器DHC10主要特征
·10A觸點切換能力,小巧的體積;
·具有一組橋式常開觸點,觸點回路無極性;
·采用陶瓷釬焊技術,觸頭部分密封充有氫氣, 觸頭不會氧化,能快速切斷在直流高壓;
·應用范圍:電信通信設備、太陽能系統,工程機械、 電瓶車、電動汽車、充電樁、火車、船舶、不間斷電源等電控系統;

陶瓷密封系列高壓直流接觸器DHC10性能參數
| 觸點參數 | 觸點形式 | 1H(SPST-NO) | |||
| 額定負載電流 | 10A 450VDC(4.5KW) | ||||
| 最小適用負載(阻性負載) | 1A/12VDC | ||||
| 最大切換電壓 | 1000VDC | ||||
| 接觸壓降(初始) | ≤80mV@10A | ||||
| 載流能力(a) | 10A :持續 | ||||
| 15A:60min | |||||
| 20A:20min | |||||
| 40A:30s | |||||
| 100A:0.6s | |||||
| 電氣性能 | 絕緣電阻 | 100MΩ以上(500VDC) | |||
| 介質耐壓 | 斷開觸點間 | 3000VAC 1min | |||
| 觸點與線圈間 | 4000VAC 1min | ||||
| 動作時間(20℃額定電壓下) | ≤30ms (不含回跳時間) | ||||
| 釋放時間(20℃額定電壓下) | ≤10ms | ||||
| 回跳時間(20℃額定電壓下) | ≤5ms | ||||
| 耐沖擊 | 穩定性 | 正弦半波脈沖:11ms | ON 時: 196m/s2(20G 以上) | ||
| 檢測時間:10μs | OFF 時:98 m/s2(10G 以上) | ||||
| 強度 | 正弦半波脈沖:6ms | 590 m/s2(50G 以上) | |||
| 耐振動 | 10Hz~500Hz 49 m/s2(5G 以上) | ||||
| 壽命 | 電氣壽命(b) | 200A 450VDC | 100000 次以上 | ||
| 200A 750VDC | 100000 次以上 | ||||
| 機械壽命 | 20 萬次以上 | ||||
| 使用條件 | 使用環境、運輸、存儲環境 | 溫度-40℃~+85℃ | |||
| 濕度 5%~85%RH(無結冰、凝露) | |||||
| 產品安裝方式 | 任意 | ||||
| 重量 | 160g | ||||
注:(a):在環境溫度下,導線截面積≥2.5mm2下測得
(b):除特別說明外,電氣壽命通斷比為 1s:9s
陶瓷密封系列高壓直流接觸器DHC10線圈額定參數(20℃)
| 線圈額定 電壓 | 動作電壓 | 釋放電壓 | 最大工作電 壓 | 額定電流(±10%) | 額定線圈功耗 |
| 12V DC | ≤9V DC | ≥1V DC | 16V DC | 0.25A | 3W |
| 24V DC | ≤18V DC | ≥2V DC | 32V DC | 0.125A | 3W |
陶瓷密封系列高壓直流接觸器DHC10產品型號釋義

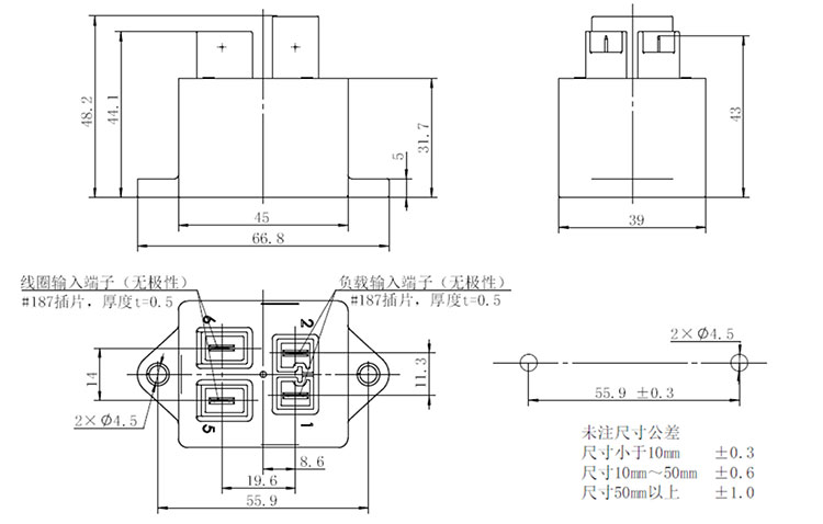
陶瓷密封系列高壓直流接觸器DHC10外形尺寸圖、接線圖


線圈和負載均無性
陶瓷密封系列高壓直流接觸器DHC10參考曲線圖

注:以上數據在環境溫度為 85℃,導線截面積≥2.5mm2條件下測得。數據僅作參考,請勿直接用于選擇熔斷器

注:以上數據為隨機抽取線圈電壓為 12VDC 產品測得,數據僅供參考(試驗品數量:n=3)
注意事項
1、本接觸器為直流高壓開閉裝置,在最終故障狀態下,有可能出現不通斷的情況,一旦發生不能 切斷,可能導致異常發熱現象及煙霧,火災等事故。因此,請避免規格以上的操作使用(包括但 不限于線圈額定,負載額定以及電氣壽命等);應采用在緊急情況下可及時切斷電流負載的電路; 為確保安全,應定期更換部件。
2、本接觸器負載連接端及線圈連接端有極性區別,請務必按照產品表面的標識正確安裝使用, 將端子連接到相反方向時,本規格書中承諾的電氣特性將不能獲得保障。
3、觸點額定值均為阻性負載時的數值。使用L/R≥1ms的感性負載(L負載)的情況下,請與感 性負載并行采取浪涌吸收措施。未采取措施的情況下,可能會造成電氣壽命下降、發生切斷不良。
4、本產品內置線圈抑制反向電動勢電路,不需要浪涌抑制裝置。進行動作電壓測試時,不能使 電壓緩慢上升,請通過快速上升沿(階躍式供電方式)對產品線圈驅動,否則接觸器會不動作。 本產品在接通后約0.2s后會進行線圈電流的自動切換,<0.2s的重復通斷操作會引發接觸器故障。
5、嚴禁將接觸器長時間置于超過產品使用溫度范圍(-40℃~+85℃)的環境中。
6、請避免在強磁界(變壓器、磁鐵的周圍)和發熱物體的附近安裝。
7、為防止出現松動,接觸器安裝時請正確使用墊圈。接觸器安裝處請使用M6螺釘,螺釘鎖緊扭 矩請控制在3N.m~4N.m;負載端的M8安裝螺母鎖緊扭矩請控制在9N.m~11N.m。在扭矩超過范圍 的情況下,產品可能遭到破損。
8、請避免在引出端上粘附油脂等異物,請使用60mm2以上規格的連接導線,否則有可能會造成 引出端部分的異常發熱。
9、對連接器端進行連接時,請使用指定配合的連接器。
10、在接觸器墜落的情況下,原則上請不要再使用。












客服